忍者ブログ

ECWのお~まい、があ~!!

エレ工房さくらい店主のお馬鹿な日々をつづったエッセイ?です。 「エレ工房さくらい」へは→http://ecwkit.nomaki.jp/ までお越しくださいね!
MENU

ENTRY NAVI

[PR]

×

[PR]上記の広告は3ヶ月以上新規記事投稿のないブログに表示されています。新しい記事を書く事で広告が消えます。

何が原因だったんだろう?

昨日の事、それまで使えてていたプリンタ兼スキャナ(無線LAN接続)が突然認識されなくなってしまいました。PCやプリンタの電源を入れなおしても、ダメ。ドライバ類の再インストールや無線LAN再設定でも、ダメ。外部からの不正アクセスも無し。
ま、どうしてもダメならばUSB接続すれば良いだけだからと、USB接続に戻して昨日は終了。
で、今朝PC立ち上げて、試しに無線LANでプリンタ使えるか試してみると、何の問題も無く動作。
いったい何が原因だったんだろう?




PR

何の騒ぎだったんだろう?

今朝は明け方4時過ぎに目が覚めてしまい、一日眠たい時間となってしまいました。
というのも、近くで明け方にどこかの猫がニ゛ャー!ニ゛ャー!と鳴き続けていて、烏も何羽かで騒いでいたから。
何の騒ぎなんだ?と窓を開けると、猫も烏も姿は見えず、猫の鳴き声も烏の騒ぎも何故かピタリと止まったのですが、猫の低く唸る声だけは何処からか続いていました。
どこかの猫が数羽の烏に絡まれてでもいたのかな?でも、何処にもそれらしいのは見えなかったんだけれどなぁ。今日一日無事に終わりそうなので、何かの前触れとかお告げとかというわけでも無さそうだし。


茶髪?

今日お散歩中に見かけた子猫、体は白主体の白黒で頭だけ茶色。
面白い模様の三毛猫ちゃんでした。




目標400円!

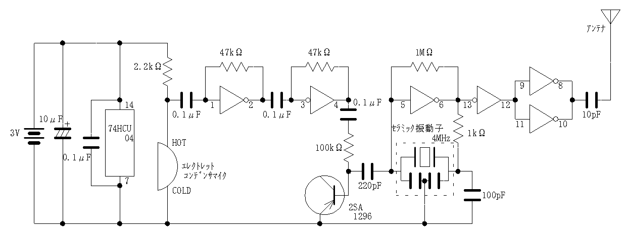
件のはた迷惑な(?)FMワイヤレスマイク、こんな回路で落ち着きました。

部品配置はこんな感じ。
 

今現在、説明ページ作成中なので、もう少しお待ちくださいね。
多分今日の夜か、明日には販売開始できると思います。
販売価格の目標は送料別、税込みで400円を目標に考えたのですが・・・
原価的に少しオーバー(420~430円にしたいです)なのですが、400円で決めてしまおうかと思います。2015年8月をもって販売終了しております。

蛇足になりますが、バリキャップの代わりに2SA1296を使用したのは、たまたま手元にたくさんあった事と、ベース-エミッタ間の接合容量が40pFと大きかった事。もちろんバリキャップを使用する方が良いです。が、手元にバリキャップが無い場合、この回路では整流用の40V0.5A~1A位のショットキーバリアダイオードでも動作します。
「正しい設計」からは邪道なのかもしれませんが、何か代用できてしまうものはないかな?と試したり工夫してみたりするのも、私にとっては工作の楽しみです。(って、それをそのまま売るなよと怒られそうですが、バリキャップ使っちゃうと400円に収まらないんです)



浮遊容量の影響かな?

昨日のFMワイヤレスマイクの回路、ブレッドボードでの実験から基板での試作に移ったのですが、ブレッドボードでは調子よく動作するのに、基板ではどうも塩梅が良くありません。回路定数を変更するなどして検討する事半日で昨日はギブ。今朝になって、もしかしてブレッドボードの浮遊容量の影響でたまたま塩梅良く動作していたのかな?と思いつき(って、もっと早く思いつけよ、俺)セラミック振動子のトランジスタとは反対側にコンデンサを追加すると、こんどは調子よく動作するようになりました。
コンデンサ内蔵型の振動子にコンデンサを追加するのも、なんだかな~なのですが、2端子型のものは入手しにくいようなので、まっ良いか。(いや、コストは一円でも抑えたいので良くはないのですが)




× CLOSE

プロフィール

HN:
さくらい
性別:
非公開

P R

× CLOSE

Copyright © ECWのお~まい、があ~!! : All rights reserved

TemplateDesign by KARMA7

忍者ブログ [PR]