忍者ブログ

ECWのお~まい、があ~!!

エレ工房さくらい店主のお馬鹿な日々をつづったエッセイ?です。 「エレ工房さくらい」へは→http://ecwkit.nomaki.jp/ までお越しくださいね!
MENU

ENTRY NAVI

[PR]

×

[PR]上記の広告は3ヶ月以上新規記事投稿のないブログに表示されています。新しい記事を書く事で広告が消えます。

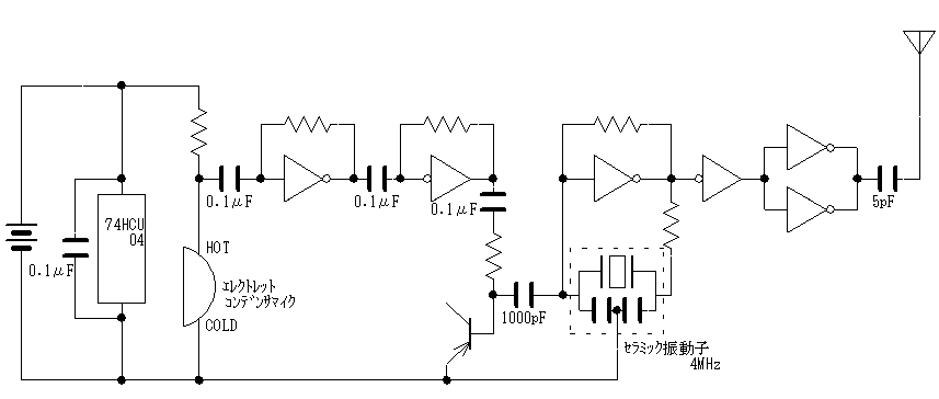
こんな回路です

昨日書いたFMワイヤレスマイク、こんな回路です。


電源は3V、抵抗やトランジスタについてはホームページ掲載時までお待ちください。
(トランジスタは2SA1015ではNGです。選定する簡単な「ポイント」があります)
こんな回路でも、木造の家の中ならよほどの豪邸で無い限りどこでも受信できるくらいには飛びます。何より全く調整が要らないので、今までワイヤレスマイクに失敗してしまった人にもオススメできるかと思います。
スプリアス上等だぜ!な回路のところは良くないのですが、出力に同調回路付きの簡単なトランジスタ1個の増幅回路を足せば、ワイヤレスマイクとしてなら問題ないレベルになると思いますので、スプリアスって何よ?の教材としても面白いんじゃないかな?と思います。




PR

受信がダメなら送信を!

超再生式の簡単安価なFMラジオ計画(?)は頓挫しましたので、ならば逆方向に進んでみようと思い、FMワイヤレスマイクを検討しています。
FMワイヤレスマイクも、ラジオのチューニングと本体の調整との2ヶ所いじるヶ所が出てくる工作なので、せっかくハンダ付けが正しく出来ていても「動かない!」と投げ出されてしまうことが多いのが今までの実感。
ですから、本体側は基本無調整でと考えて、発振はセラミック振動子とロジックICを使い、マイクアンプもロジックICでやってしまう、FM変調はバリキャップは入手しにくいかもなのでトランジスタをその代わりに使ってみると言う、実用は二の次で「とにかく作れば動いて安価な回路」が目標。
今日現在はまだ動くかどうか(特にトランジスタ代用でのFM変調)の実験なのですが、無事に動作してFMラジオで聴くと、発信子の基本周波数毎にマイクからの音が聞こえました。
無調整とするので、出力のフィルターも省略した「迷惑仕様」となってしまいますが、74HCU04と小信号トランジスタ1個で確実に動作する回路にはなりそうです。




一旦終了

超再生式のFMラジオ、簡単な回路で聴こえるようにはなるのですが、やはり調整は微妙です。
キットの販売をしていた頃に実感したのですが、不慣れな方は調整箇所が2つと言うのは、かなり大きなハードルとなってしまうようで、超再生のような、同調という1ヶ所のほかにもう一つ都度いじる必要があって、それが微妙な加減が必要だと、掲載したとしてもかえってガッカリさせてしまう可能性が大です。なので一旦検討は終了して、別のネタを探す事としました。
でも、ラジオいじりは面白いです。今回は自己満足のための趣味の実験となってしまったのでした。




超再生FMラジオ

47×72mmのユニバーサル基板を使った工作例は現在12回路あるのですが、ラジオの簡単で安価な回路をもう一つ欲しいなぁと思い、今日は実験を進めてみたのでした。
AMのストレートラジオでも良いと言えば良いのですが、ちょっとひねって(?)FMの超再生式で簡単に組み立てられて聴ければ面白いかなとFET1石の回路を組んで弄り回すこと半日。
簡単な回路でFM放送を受信できるのは良いのですが、ラジオイジリになれた人でなければ、やはり最初は調整に面食らうだろうなぁ、うちのサイトに掲載するのはこれでは難があるな、やはり・・・と言うのが結論となってしまいました。
超再生は実は中学生の時以来およそ35年ぶりにいじるのですが、当時はバイポーラトランジスタで作って、やはりクエンチング調整してチューニングしてもう一回クエンチングを調整して・・・と言うのが面倒だったのを憶えています。
クエンチングを自励式ではなく、も一つ発振回路を作って他励式とすれば良いかな?今回はブレッドボードで組んでしまったので、ちゃくと基板に組めばもう少し安定するかな?少し時間を置いて、もう少しいじってみよう。




50歳になってしまった・・・

とうとう50歳になってしまった・・・




× CLOSE

プロフィール

HN:
さくらい
性別:
非公開

P R

× CLOSE

Copyright © ECWのお~まい、があ~!! : All rights reserved

TemplateDesign by KARMA7

忍者ブログ [PR]